举报电话:029-63909213(驻厅纪检监察组) 029-89230831(馆机关纪委) 举报邮箱:dagjgjw@163.com
陕西档案信息网
陕西档案信息网
首页
政务公开
局馆简介
局馆领导
机构设置
计划规划
通知公告
财务及采购招标
行政许可
依申请公开
下载中心
新闻中心
中省之声
局馆动态
市县动态
处室动态
行业要闻
媒体聚焦
政策法规
法律法规
标准规范
地方政策法规
政策解读
查阅服务
馆藏介绍
查档指南
政府信息查询
现行文件阅览
利用效果
档案业务
档案执法检查
培训与职称
接收征集
科技保护
档案学会
保密工作
档案文化
纪念中国人民抗日战争暨世界反法西斯战争胜利80周年
纪念中国人民志愿军抗美援朝出国作战70周年
视频荟萃
编研成果
兰台文苑
陕西方言
献礼新中国75周年华诞
《陕西档案》
网上展厅
档案工作优秀案例展
“秦岭”作品展——宝鸡春秋篇
《百年青春心向党》
新中国成立以来陕西的第一次
庆祝中华人民共和国成立75周年陕西新时代记忆主题档案图片展
新中国成立75周年长江黄河流域专题档案展
光影档案:共产党领导下的陕甘宁边区各级工会
“秦岭”作品展——民间文化篇
光影档案
“秦岭”作品展——风景·人像·静物篇
网络安全为人民,网络安全靠人民--第十一届国家网络安全宣传周
“寻找最美家庭 变迁见证发展”家庭档案图片展
红星照耀中国 —— 外国记者眼中的中国共产党人
黄河在咆哮——抗战中的陕西
长征 长征——红军长征到陕北
西安事变
档案查阅大厅
查档须知
查档常见问题解答
专题报道
学习贯彻重要批示 服务全省追赶超越
深化作风建设
党的二十大
学习贯彻习近平新时代中国特色社会主义思想主题教育
贯彻中央八项规定精神
学习贯彻习近平总书记来陕考察重要讲话重要指示精神
学习贯彻党的十九届六中全会精神
新修订档案法宣贯
学习贯彻省第十四次党代会
反对历史虚无主义
党史学习教育
“百年恰是风华正茂”主题档案文献展
《档案背后的秘密》
网络安全专栏
“不忘初心、牢记使命”主题教育
两学一做
公众参与
虚拟展厅
首页
> 政策法规 >
标准规范
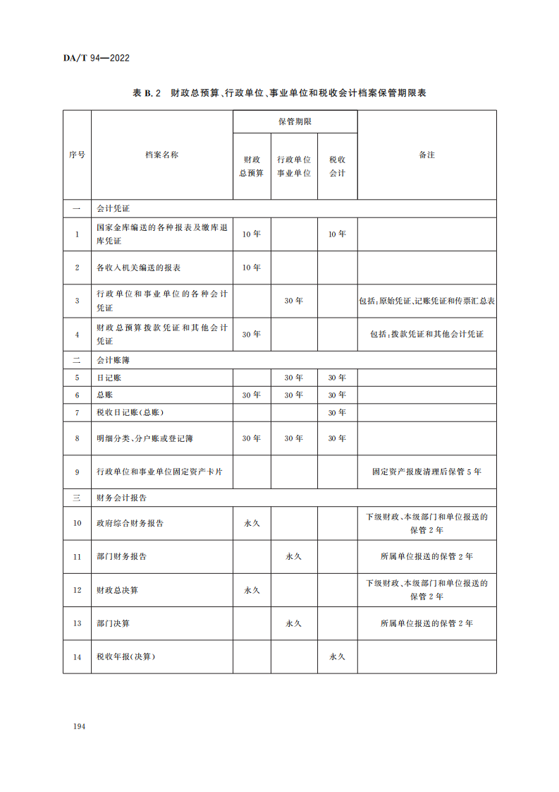
电子会计档案管理规范
发布:2022-09-26( 浏览 25505 人次)
电子会计档案管理规范.pdf
上一个:
录音录像档案管理规范
下一个:
电子档案单套一般管理要求